- 雙伺服馬達平衡控制-內建雙組微型伺服馬達及DSP控制電路,根據不平衡量的位置自動調整平衡塊的位置, 達到快速平衡
- 高解析度編碼器-伺服馬達搭配高解析度編碼器,平衡調整可達0.01度,藉由高效能演算法,平均平衡修正速度小於30秒
- 高靈敏度工業級加速規-工業級不平衡感測器讓平衡儀更能精準地測量到砂輪的不平衡, 平衡校正有更佳可靠度
- 平衡最高精度可達 0.01um- 內建最先進現代化DSP處理器, 讓平衡最佳可達0.01um(p-p)
- 多點RS485 interface輸出-內建RS485通訊介面, 與HMI控制器連線控制更方便
- DI / DO 數位 PLC 介面-PLC與AB-01間可藉由數位DIO介面建立起溝通管道
- 大幅改善研磨工件的面粗度,平坦度,平行度,真圓度,圓筒度,真直度和尺寸公差
- 可降低研磨砂輪的燒傷,裂損,加工變質等品質異常現象及延長工件壽命
- 降低加工時低頻工作噪音及延長砂輪和修整裝置的壽命
- 提高研磨加工精度,穩定性和批量一致性(CPK值)
- 確保磨床主軸與軸承壽命, 延長磨床維修間隔, 降低磨床及砂輪維修成本
| AB-01-485 Controller Grinding-Wheel Balancer | |
| Communication Protocol | One RS485 Modbus | 
| Balancing Head Interface | One Digital Control channel | 
| Accelerometer Channel | One analog channel | 
| Maximal Resolution | 0.01 um(p-p) | 
| IEPE analog interface | 24V (4mA) | 
| Vibration Sensor | Piezo Accelerometer | 
| Sampling Rates(S/s) | up to 23K | 
| Resolution(Bits) | 24 bits | 
| ADC Type | Sigma Delta | 
| PLC interface DI | 2 channels | 
| PLC interface DO | 2 channels | 
| Supports USB 2.0 | Plug & Play | 
| Power Consumption | Typical: 24V @ 2.5A(max.) | 
| Power Requirement | DC 22V - 26V | 
| Operating Temperature | 0 ~ 55°C (32 ~ 131°F) | 
| Operating Humidity | 10-90%RH, non-condensing | 
| Dimension(L x W x H) | 125mm x 110mm x 40mm | 
| Weight | 200 grams | 
※Changes to appearance and specifications are subject to change without notice.
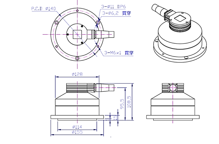
- AB-01H -- Balancing Head
- AB-01-485 -- DSP Controller
 左右滑動看表格
 左右滑動看表格| 機種型號 | 外殼尺寸 | 重量 | 補償能力(g*cm | ||
| AB-01H-2000 | 128 | 1.2Kg | 2,000 | ||
| AB-01H-4000 | 128 | 2.2Kg | 4,000 | ||










